La Solución Superior en Procesamiento de Alimentos a su Alcance

Servicios Integrales

Asesoramiento integral
Equipos
Diseño a medida

Analisis de proyecto, capacitacion y soporte en la toma de decisiones en aspectos técnicos y conceptuales.

  • Diagrama general de procesos
  • Definición de equipamientos
  • Costeos de proyectos
  • Diagramas de tiemposde produccion
  • Evaluación de recursos
  • Requerimientos de Lay out
  • Otros
Ingeniería básica
...
Análisis de proyectos y licitaciones

Diagramación inicial de pre proyectos para y/o licitaciones

  • Diagramas de bloques
  • Definición básica de Equipamientos
  • Balances de masas
  • Contabilizacion de componentes
  • Estimación de Costos
  • Esquemas de ejecución
  • Otros
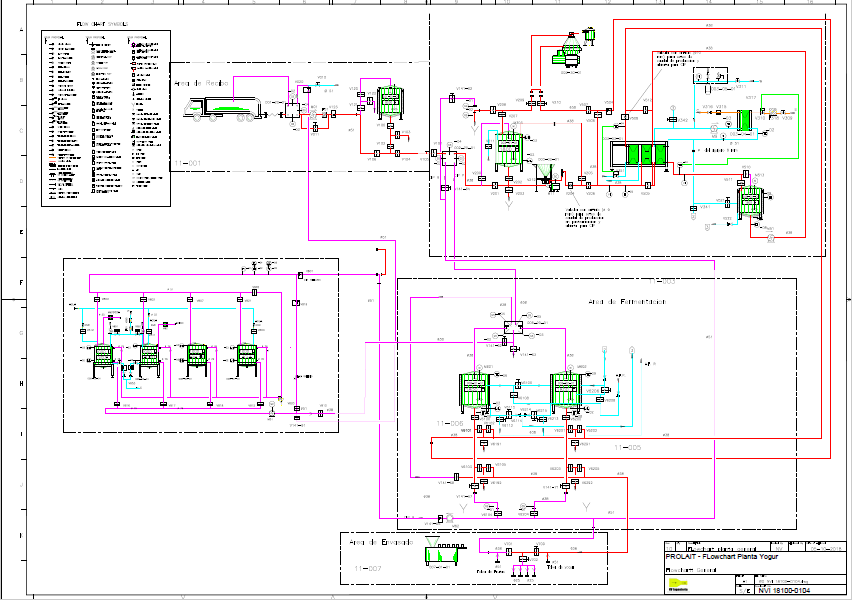
Diagramas de flujo
...
Básicos y de detalle

Diagras de flujo para proyectos o de plantas o equipos existentes.

  • Flujograma de lineas de producto
  • Flujogramas de CIP y servicios
  • Listados de componentes
  • Seleccion de componentes y materiales
  • Entrenamiento al personal
  • Modificaciones y adaptaciones
  • Otros
Auditorías de procesos
...
Mejora continua

Acompañamiento en el analisis de procesos hallazgos de oportunidadesde mejora y su implementación.

  • Revision de proceso existente
  • Analisis de la instalacion actual
  • Deteccion de puntos de mejora y propuesta de las mismas
  • Implementacion de cambio y ajustes para el incremento de eficiencia.
  • Entrenaimiento y capacitación
  • Otros